






用於 AA02 型 INVERT-A-BOLT™ 扣件的孔塞 (IVB)
用於 AA02 型 Invert-A-Bolt™ 扣件 (IVB) 的孔塞是在不使用 AA02 尺寸 Invert-a-Bolt 緊固件時有效管理夾具孔開口的完美解決方案。這款簡單而創新的配件可確保您的燈具保持井井有條、清潔並準備好獲得最佳性能。
主要特徵:
- 精確配合:這款孔塞專為 AA02 型 Invert-A-Bolt™ 扣件設計,可提供無縫且精確的配合,保持夾具的完整性。
- 輕鬆安裝:孔塞的安裝極為簡單,可為您節省夾具安裝和維護過程中的寶貴時間。
- 增強的夾具組織:透過堵塞未使用的 Invert-a-Bolt 緊固件孔,該產品可使您的夾具保持井然有序,並且沒有可能影響性能的碎屑或污染物。
- 清潔和專業的表面處理:孔塞不僅可以提高固定裝置的性能,還可以確保清潔和專業的外觀,有助於創造一個維護良好的工作環境。
購買適用於 AA02 型 Invert-A-Bolt™ 扣件 (IVB) 的孔塞,體驗夾具孔管理的便利性。讓您的固定裝置井然有序並做好行動準備,確保更有效率、更有效率的工作環境。
| 存貨單位 | 用 1/4" 六角插入 | 使用AA02-004-004工具插入 |
| AA02-040-111 | 是的 | 是的 |
| AA02-040-211 | 不 | 是的 |
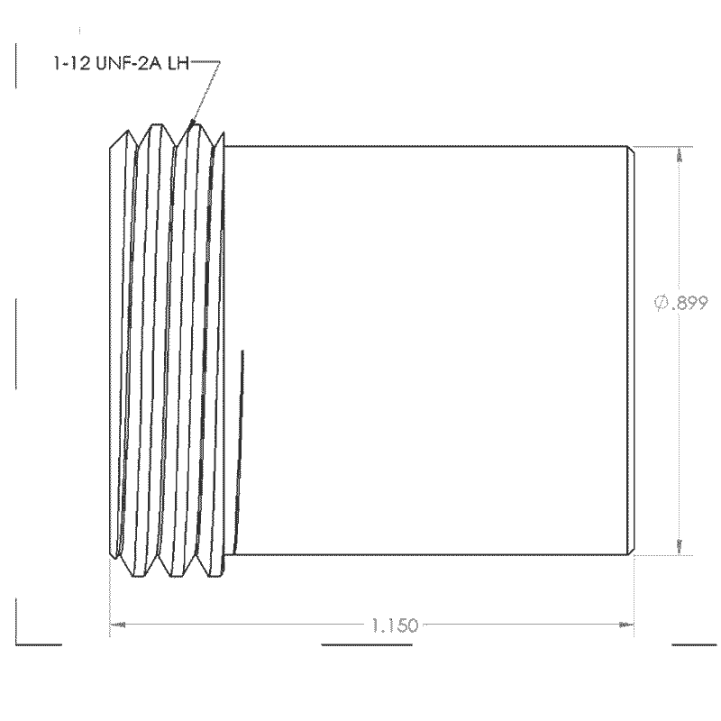
| 堵頭外徑 | 1"-12 UNF-2A 左側 | |
| 材料 | 塑膠 |
點擊看CAD

用於 AA02 型 INVERT-A-BOLT™ 扣件的孔塞 (IVB)
促銷價$4.15
原價$4.37
